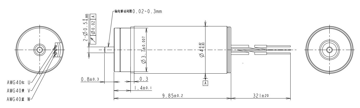
Φ4mm无刷空心杯电机(MC)
产品型号:MC0408
直径(mm):4
长度(mm):8.5
额定电压(V):5
额定转速(rpm):41900
堵转转矩(mNm):0.07
堵转电流(A) :0.19
转矩常数(mNm/A):0.6
速度常数(rpm/V) :16667
输出轴直径(mm):0.5
电机参数
| 电机数据(额定值) | |
|---|---|
| 额定电压(V) | 5 |
| 空载转速(rpm) | 58000 |
| 空载电流(A) | 0.045 |
| 额定转速 (rpm) | 41900 |
| 额定转矩(mNm) | 0.02 |
| 额定电流(A) | 0.095 |
| 堵转转矩(mNm) | 0.19 |
| 堵转电流(A) | 0.85±20% |
| 最大效率(%) | 20 |
| 电机常数(额定值) | |
|---|---|
| 相间电阻(Ω) | 26.4 |
| 相间电感(mH) | 0.07 |
| 转矩常数(mNm/A) | 0.6 |
| 速度常数(rpm/V) | 16667 |
| 转速/转矩斜度(rpm/mNm) | 789337 |
| 机械时间常数(ms) | 4.2 |
| 转子惯量(gcm2) | 0.0006 |
| 热参数 | |
|---|---|
| 机壳-环境热阻(K/W) | / |
| 绕组-机壳热阻(K/W) | / |
| 绕组热时间常数(s) | / |
| 电机热时间常数(s) | / |
| 环境温度(℃) | -20~+100 |
| 最高绕组温度(℃) | +125 |
| 机械参数(滚珠轴承) | |
|---|---|
| 最大允许转速(rpm) | 100 000 |
| 最大轴向间隙(mm) | < 0.15 N? ?0 |
| > 0.15 N? ?0.3(max) | |
| 径向间隙 | preloaded |
| 最大轴向动态载荷(N) | 0.1 |
| 最大允许安静态装力(N) | 10 |
| 最大径向载荷,距离法兰处2mm处(N) | 2 |
| 端子型号 | |
|---|---|
| AFJ AWG40 |
设计图纸

















查看详情


Φ4mm无刷空心杯电机(MC)规格书
