DB¹Ù·½ÍøÕ¾Ö±Á÷¼õËÙµç»ú£¨³ÝÂÖÏ䣩
DB¹Ù·½ÍøÕ¾Éú²úµÄ΢ÐÍÖ±Á÷¼õËÙµç»ú³ÝÂÖÏä¾ßÓÐÌå»ýС¡¢ÖØÁ¿Çá¡¢Á¦¾Ø´ó¡¢µÍÔëÒô¡¢²»Ò×Ë𻵵ÄÌØµã¡£
DB¹Ù·½ÍøÕ¾Ñз¢Éú²ú΢ÐÍÖ±Á÷¼õËÙµç»ú³ÝÂÖÏ䣺
1.ÓµÓÐËÜÁÏ¡¢Îå½ð¡¢½ðÊôMIMµÄ³ÝÂÖÉè¼ÆÉú²úÄÜÁ¦£»
2.³ÝÂÖÄ£ÊýµÍ¿ÉÒÔ×öµ½M=0.05Ä£Êý£¬ÔëÒôС£»
3.Íâ¹Û¼°½á¹¹Éè¼ÆÉÏÓµÓÐ×ÔÖ÷²úȨ£¬ÌáÉýÁËÁ¦¾Ø´ó£¬Ìå»ýС£»
4.¿É¼Ó×°±àÂëÆ÷,¿ÉÒÔÅä»»Ö±Á÷ÓÐË¢µç»ú£¬¿ÕÐıµç»ú¡¢ÎÞË¢µç»ú£¬²½½øµç»úµÈ¡£
? DB¹Ù·½ÍøÕ¾Î¢ÐÍÖ±Á÷¼õËÙµç»úÓóÝÂÖÏ俪·¢Ö±¾¶¼°Ó¦ÓÃÁìÓò£º
DB¹Ù·½ÍøÕ¾Î¢ÐÍÖ±Á÷¼õËÙµç»úÐÐÐdzÝÂÖÏ䣬ÓÃÓÚÖÇÄܳøÎÀ¡¢ÖÇÄÜÇý¶¯¡¢Æû³µÖÇÄÜÇý¶¯¡¢ÖÇÄÜ»¯¼Ò¾ÓÇý¶¯¡¢¹¤ÒµÖÇÄÜÇý¶¯¡¢µç×Ó²úÆ·ÖÇÄÜÇý¶¯µÈ¶à¸öÐÐÒµ£¬¿É¸ù¾Ý¿Í»§µÄ²»Í¬ÐèÇó¶¨ÖÆ¡£
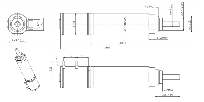
΢ÐÍÖ±Á÷¼õËÙµç»ú¸÷²ÎÊý¹æ¸ñ£¬¿É°´ÐèÇó¶¨ÖÆ¡£
΢ÐÍÖ±Á÷¼õËÙµç»ú³ÝÐÐÐÇÂÖÏäÉè¼Æ£º

΢ÐÍÖ±Á÷¼õËÙµç»ú³ÝÂÖÏäÍâÐγߴ磺

ÒÔÉϹæ¸ñÊý¾Ý½ö¹©²Î¿¼£¬¿É°´ÐèÇó¶¨ÖÆ¡£
DB¹Ù·½ÍøÕ¾Î¢ÐÍÖ±Á÷¼õËÙµç»ú£¬½ðÊô΢ÐÍÖ±Á÷¼õËÙµç»úÐÐÐdzÝÂÖÏäÉè¼ÆÑз¢Ìص㣺
DB¹Ù·½ÍøÕ¾»úµçרעÓÚÖ±Á÷¼õËÙµç»ú³ÝÂÖÏäÉè¼ÆÑз¢Éú²ú£¬ÏȺóÓëÏðËÜÄ£¾ß¹¤³ÌÑо¿ÖÐÐĹ²½¨¡°Î¢Ï¸¾«ÃÜËܳÉÐÍÓëÄ£¾ß¼¼Êõ»ùµØ¡±£»Ó뻪ÖпƼ¼´óѧ³ÉÁ¢ÁªºÏʵÑéÊÒ¡£ÓëÖпÆÔº¿ª·¢ÁËÖÇÄÜ»úÆ÷ÈËÏîÄ¿¡£
DB¹Ù·½ÍøÕ¾Éú²úÖ±Á÷¼õËÙµç»ú³ÝÂÖÏ䣬¿ÉÒÔ°´Ðè¶¨ÖÆ£¬»¶Ó¹ã´ó¿Í»§À´Ðè¶¨ÖÆ£¬ÎÒÃǵÄÌØµãÊÇ£º
1£®ÓÐDB¹Ù·½ÍøÕ¾×ÔÖ÷֪ʶ²úȨµÄ³ÝÂÖÏä×ÛºÏÉè¼ÆÆ½Ì¨¡£
DB¹Ù·½ÍøÕ¾Éè¼ÆÆ½Ì¨µÄÌØÐÔÊǾßÓз½°¸Éè¼Æ¡¢½á¹¹Éè¼Æ¡¢³ÝÐÎÉè¼Æ¡¢Ä£Äâ·ÖÎöµÈÌØµã¿ÉÒÔÌáÌá³ÝÐκÍÄ£¾ß¼Ó¹¤¾«¶È¡£
2. Óо«ÃÜ΢СµÄÖÆ×÷ÄÜÁ¦¡£

3.²úƷͨ¹ýÈÏÖ¤·ûºÏÅ·ÖÞ»·±£ÒªÇó¡£
ͨ¹ýISO9001:2015(CN11/30731)¡¢ISO14001(U006616E0153R3M)¡¢ TS16949(CN11/30730.01) ÈÏÖ¤¡£






















